热门搜索:
WJ-5005平常半复消色差明/暗场物镜 45mm长焦物镜
LMPLN-IR/LCPLN-IR奥林巴斯红外线观察用显微镜物镜
PT-GD402电动升降台、位移台 电动滑台升降桌
CCW长工作距物镜 APO长焦物镜 大数值孔径物镜
WF-4R/WF-4RT正置微分干涉显微镜
PT-GD140G高精度电动平移台 XYZ三轴位移台
PP110-(30-75)精密型电动平移台
PT-SW05高精度电动三维转台 三维位移台
WD-5005长焦物镜 长工作距物镜 95MM物镜
HX-39可调LED灯 照明光源 单筒显微镜光源
PJ03-(72-87)升降杆 固定杆 光阑杆
CCW-2X长工作距物镜95MM物镜 大数值孔径物镜
PT-GD130P圆导轨电动平移台 滚珠丝杆精密位移台
PT-GD204电动旋转台/360度旋转精密位移台
SLMPLN长工作距离物镜 平场消色差物镜
PT-QX02精密型手动倾斜台(双轴) 手动位移台
product
产品分类| 品牌 | PDV/派迪威 | 应用领域 | 综合 |
|---|
产品特性:(表格里精度描述栏为电性能参数)
※采用滚珠螺杆传动,线性滑块导轨,承载高,刚性好,适合工业加工,实验室或需要高负荷长期连续运行的场所
※高精密滚珠螺杆驱动,重复定位精度和决队定位精度好,轴向间隙小,寿命长,平移台本身具有防尘罩
※平移台行程可根据客户要求定做
※可选配换装伺服电机,加光栅尺做闭环控制
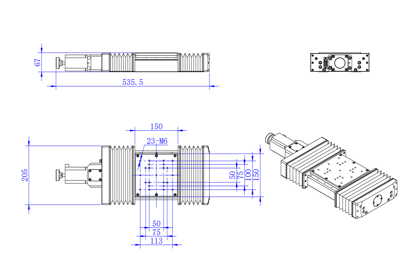
产品参数:
| 产品型号 | PT-GD150-100(防尘罩) | |
| 结构参数 | 行程 | 100mm |
| 台面尺寸 | 150×150mm | |
| 螺杆规袼 | 高精密滚珠螺杆(导程5mm) | |
| 导轨 | 高精密线性滑块导轨 | |
| 步进电机(1.8°) | STP-57D3016 | |
| 主体材料 | 铝合金/不锈钢 | |
| 表面处理 | 阳极氧化发黑 | |
| 台面负载 | 20kg | |
| 重量 | 3.4kg | |
| 精度参数 | 分辦率 | 20μ(无细分) 1μ(20细分) |
| 速度 | 40mm/sec | |
| 重复定位精度 | 1μ | |
| 定位精度(选配光柵) | 3μ | |
| 直线度 | 3μ | |
| 运动平行度 | 10μ | |
| 俯仰 | 25" | |
| 偏摆 | 20" | |
| 回程间隙 | 2μ | |
| 丢步运动 | 1μ | |
| 附件描述 | 可加装失电制动功能(Z) | |
| 可加装光栅尺(G) | ||
| 可换装伺服电机(D) | ||
| 可加装防尘罩(F) | ||
产品尺寸:

北京派迪威仪器有限公司(简称:派迪威)是一家集光学、精密机械、自动化控制等技术于一体的企业。自2005年起一直服务于科研大专院校根据客户需求,研发配套软硬件系统产品(光路搭建、软件开发、机械电路设计等)通过长期的不懈努力、对光路搭建系统的工艺把控和对客户的优良服务,在科研、大专院校、机械自动化等诸多领域成长为信誉度良好的厂商。公司设计生产长焦镜头,自动化机械控制台、手动控制台、超亮度光源等产品。